編輯:北京凌鷹起重 瀏覽:3404 時間:2021-01-26
片齒輪的特點和應用,齒輪傳動用于軸與軸之間的回轉運動,在絕大多數情況下,兩軸是相互平行的,也有傾斜的,它廣泛應用在機床、汽車、起重機械、冶金機械以及其他機械制造部門中,最大傳動功率可達50000kw,通常用在6000kw一下,最高線速度Vs可達200m/s,通常用在100m/s一下。
片齒輪的特點和應用,齒輪傳動用于軸與軸之間的回轉運動,在絕大多數情況下,兩軸是相互平行的,也有傾斜的,它廣泛應用在機床、汽車、起重機械、冶金機械以及其他機械制造部門中,最大傳動功率可達50000kw,通常用在6000kw一下,最高線速度Vs可達200m/s,通常用在100m/s一下。
齒輪傳動的主要優點是結構緊湊、工作平穩、以及能得到很大的傳動比。缺點是傳動噪聲大,沖擊震動大。
齒輪傳動的失效形式:有疲勞點蝕、膠合、磨損、齒輪折斷等,兩齒輪的相對滑動較大,更容易產生膠合和磨粒磨損。
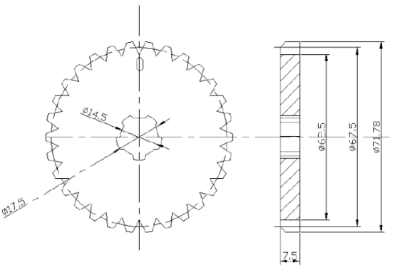
根據葫蘆傳動齒輪低速重載,根據手拉葫蘆傳動結構的原理由五尺長軸的小齒輪帶動片齒輪甲、乙,考慮到五尺長軸的小齒輪齒數甚小等特點,1.5型葫蘆選用了齒形角20°的漸開線特種片齒輪變位齒輪,其基本齒形的基本參數如圖所示。選用齒形是考慮了以下因素:1.5t葫蘆傳動齒輪的小齒輪齒數甚少為了避免根切和增強度,只能用正變位切削這樣小齒輪的外圓就受齒條的正切力,片齒輪與短軸屬于過硬配合,片齒輪的中心要設計出與短軸尺寸屬于硬配合的小花鍵孔尺寸如圖所示:

上一條: 如何提高風電葫蘆運行的穩定性?
下一條: 一種新型的環鏈電動葫蘆平衡結構介紹

